*Produto sob encomenda, com possibilidade de constumização.
*Prazo de entrega de 30 dias.
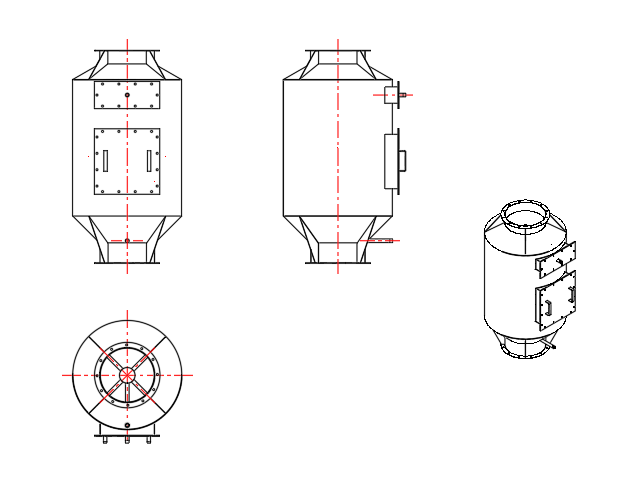
Filtro lavador de gases para instalação em chaminés de caldeiras e fornos com exaustor.
CARACTERÍSTICAS DO EQUIPAMENTO:
• Filtro lavador de gases através de névoa de água, construída em chapas de aço inoxidável AISI 301 e tubos inox AISI 304, resistente a corrosão em altas temperaturas. Remove particulas leves de cinzas transportadas pela fumaça de queima de lenha e biomassa. Possui reduzida perda de pressão na vasão dos gases filtrados.
• Aplicado em chaminés sem exaustor com velocidades de deslocamento de gases até 16m/s a 200°C ou 10m/s a 20°C.
• Possui pequenas dimensões e peso, não sobrecarregando a estrutura suporte da chaminé, sendo de fácil instalação e manutenção.
• Bicos aspessores de névoa de água resistentes a temperatura e abrasão.
• Acompanha bomba de circulação e arranjo de válvulas de controle.
• Possui baixo consumo de água, sem despejo de água contaminada no hambiente, apenas lama de cinzas concentrada de baixo volume.
Opcionais (Conforme Projeto):
• Tanque de decantação de lama.
• Separador de líquidos oleosos.
• Chaminé.
Capacidade:
• Diâmetro de chaminé 150mm.
• Diâmetro de chaminé 200mm.
• Diâmetro de chaminé 250mm.
• Diâmetro de chaminé 300mm.
• Diâmetro de chaminé 350mm.
• Diâmetro de chaminé 400mm.
• Diâmetro de chaminé 500mm.
• Diâmetro de chaminé 600mm.
• Diâmetro de chaminé 700mm.
• Diâmetro de chaminé 800mm.
• Diâmetro de chaminé 900mm.
• Diâmetro de chaminé 1000mm.
• Diâmetro de chaminé 1200mm.
Pressão:
• Gases de tiragem com pressão até 80mmca.
* Precauções/Limitações: Água sem excesso de particulas suspensas.
* Garantia: 01 (Um) Ano contra defeitos de fabricação.
* Figura esquemática:
